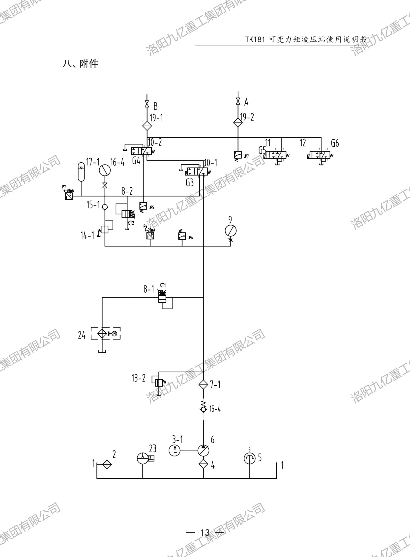
<<返回上一页 可变力矩液压站TK181使用说明书 发布时间:2025-05-04来源:行业知识点击:2204 分享到:0 用手机看 拍下二维码,信息随身看 试试用微信扫一扫, 在你手机上继续观看此页面。 上一条:恒减速液压站TH190、TH191使用说明书 下一条:智能多通道恒减速液压站TE193使用说明书