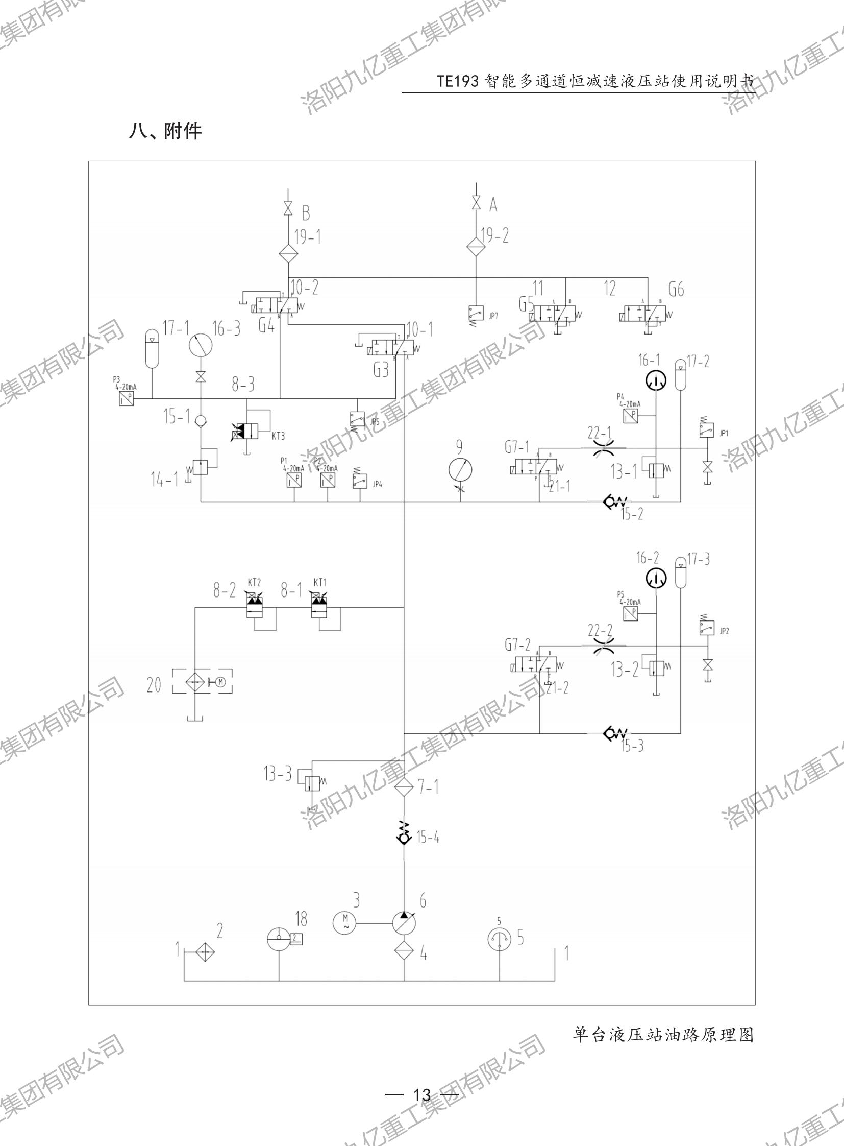
智能多通道恒减速液压站TE193使用说明书
发布时间:2025-05-04来源:行业知识点击:2283


















- 上一条:可变力矩液压站TK181使用说明书
- 下一条:变频器及电机拖动的负载类型
发布时间:2025-05-04来源:行业知识点击:2283


















开云电子注册
LUOYANG JIUYI GROUP MINING MACHINERY CO.,Ltd.
地址:河南省洛阳市洛新工业园区
乘车路线:驾车至洛新工业园区
全国24小时服务热线13333881339 13525444887 13949288881